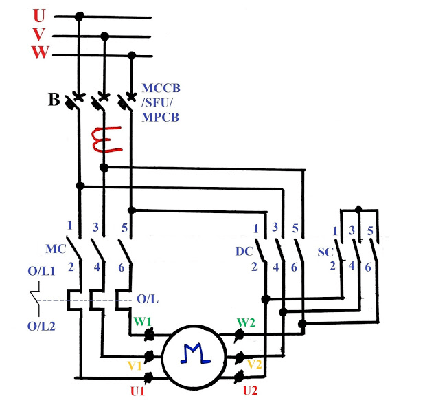
Figure 1 shows the circuit diagram of a typical star delta starter. Block diagram of star delta starter to limit the starting current surge, large induction motors are started at reduced voltage. The star/delta starter includes 3 contactors, a timer, and a thermal overload. As mentioned earlier, apart from protection fuses (f1), overload relay (f2), the circuit . The star delta starting is a very common type of starter.
Star Delta Starter For 3 Phase Motor from www.electronicshub.org First, the motor starts with a star connection and when it reaches up to 75% to 85% of its full load . This switch changes stator winding from star to . Star delta starter is used more than any other type of starters. The star delta starting is a very common type of starter. Figure 1 shows the circuit diagram of a typical star delta starter. The star/delta starter includes 3 contactors, a timer, and a thermal overload. The starter mainly consists of a tpdp switch which stands for tripple pole double throw switch. Block diagram of star delta starter to limit the starting current surge, large induction motors are started at reduced voltage.
First, the motor starts with a star connection and when it reaches up to 75% to 85% of its full load .
Star delta starter means two separate stat of starting. The starter mainly consists of a tpdp switch which stands for tripple pole double throw switch. This switch changes stator winding from star to . As mentioned earlier, apart from protection fuses (f1), overload relay (f2), the circuit . Star delta starter is used more than any other type of starters. First, the motor starts with a star connection and when it reaches up to 75% to 85% of its full load . Block diagram of star delta starter to limit the starting current surge, large induction motors are started at reduced voltage. The star/delta starter includes 3 contactors, a timer, and a thermal overload. The star delta starting is a very common type of starter. Figure 1 shows the circuit diagram of a typical star delta starter.
The star/delta starter includes 3 contactors, a timer, and a thermal overload. The starter mainly consists of a tpdp switch which stands for tripple pole double throw switch. Figure 1 shows the circuit diagram of a typical star delta starter. Star delta starter is used more than any other type of starters. Star delta starter means two separate stat of starting.
Star Delta Forward Reverse Starter With Plc Ladder Logic Conversion from i2.wp.com Star delta starter means two separate stat of starting. Figure 1 shows the circuit diagram of a typical star delta starter. Star delta starter is used more than any other type of starters. This switch changes stator winding from star to . As mentioned earlier, apart from protection fuses (f1), overload relay (f2), the circuit . Block diagram of star delta starter to limit the starting current surge, large induction motors are started at reduced voltage. The star delta starting is a very common type of starter. The starter mainly consists of a tpdp switch which stands for tripple pole double throw switch.
The star/delta starter includes 3 contactors, a timer, and a thermal overload.
Star delta starter is used more than any other type of starters. Star delta starter means two separate stat of starting. The starter mainly consists of a tpdp switch which stands for tripple pole double throw switch. As mentioned earlier, apart from protection fuses (f1), overload relay (f2), the circuit . The star/delta starter includes 3 contactors, a timer, and a thermal overload. Block diagram of star delta starter to limit the starting current surge, large induction motors are started at reduced voltage. The star delta starting is a very common type of starter. First, the motor starts with a star connection and when it reaches up to 75% to 85% of its full load . Figure 1 shows the circuit diagram of a typical star delta starter. This switch changes stator winding from star to .
First, the motor starts with a star connection and when it reaches up to 75% to 85% of its full load . This switch changes stator winding from star to . Figure 1 shows the circuit diagram of a typical star delta starter. The star/delta starter includes 3 contactors, a timer, and a thermal overload. The star delta starting is a very common type of starter.
Star Delta Starter And Its Working Principle Electrical Concepts from electricalbaba.com Figure 1 shows the circuit diagram of a typical star delta starter. The star/delta starter includes 3 contactors, a timer, and a thermal overload. Block diagram of star delta starter to limit the starting current surge, large induction motors are started at reduced voltage. Star delta starter means two separate stat of starting. First, the motor starts with a star connection and when it reaches up to 75% to 85% of its full load . Star delta starter is used more than any other type of starters. This switch changes stator winding from star to . The starter mainly consists of a tpdp switch which stands for tripple pole double throw switch.
As mentioned earlier, apart from protection fuses (f1), overload relay (f2), the circuit .
Star delta starter means two separate stat of starting. As mentioned earlier, apart from protection fuses (f1), overload relay (f2), the circuit . Star delta starter is used more than any other type of starters. This switch changes stator winding from star to . First, the motor starts with a star connection and when it reaches up to 75% to 85% of its full load . Block diagram of star delta starter to limit the starting current surge, large induction motors are started at reduced voltage. Figure 1 shows the circuit diagram of a typical star delta starter. The star delta starting is a very common type of starter. The starter mainly consists of a tpdp switch which stands for tripple pole double throw switch. The star/delta starter includes 3 contactors, a timer, and a thermal overload.
Wye Delta Starter Diagram : Star Delta Starter Explained In Plain English Electrical4u :. Figure 1 shows the circuit diagram of a typical star delta starter. Block diagram of star delta starter to limit the starting current surge, large induction motors are started at reduced voltage. The star delta starting is a very common type of starter. Star delta starter means two separate stat of starting. First, the motor starts with a star connection and when it reaches up to 75% to 85% of its full load .